Gestion de projet en technologie
Plate
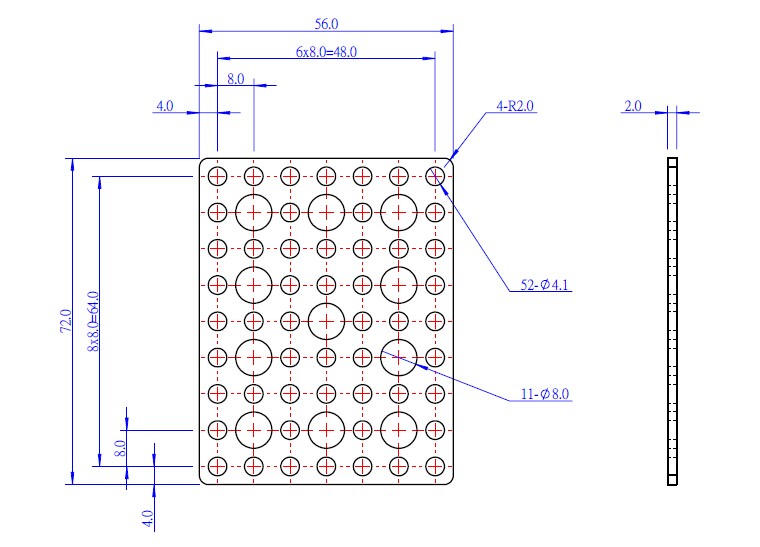
Disk D72

Exemple d'utilisation :


Plate 3X6

Exemple d'utilisation :

Plate 7X9


Plate 45°

Exemple d'utilisation :


Plate I1

Exemple d'utilisation :


Plate O1

Exemple d'utilisation :



Shaft clamping

Triangle 6X8

Exemple d'utilisation :
